J* E* C* N* U* N* S* ›› 2026, Vol. 2026 ›› Issue (2): 108-116.doi: 10.3969/j.issn.1000-5641.2026.02.010

• Power Management and Data Converters • Previous Articles     Next Articles

High-energy-efficiency 12b 200 MS/s pipeline SAR ADC based on ring amplifier

Shouxiang HAN, Junhao PU, Zhiwei HU, Runxi ZHANG*()   

  1. Institute of Microelectronic Circuits and Systems, East China Normal University, Shanghai 200241, China
  • Received:2025-09-05 Accepted:2025-12-13 Online:2026-03-25 Published:2026-04-03
  • Contact: Runxi ZHANG E-mail:rxzhang@ee.ecnu.edu.cn

Abstract:

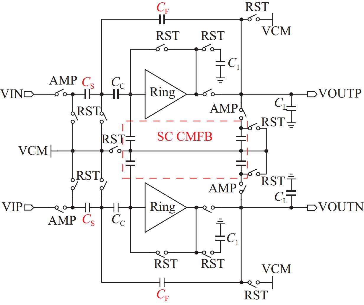
This study proposes a 12b 200 MS/s pipeline successive approximation analog-to-digital converter (Pipeline SAR ADC) for 5G and Wi-Fi 6E wireless communication applications. To address drawbacks such as slow speed and high power consumption in the residue amplifiers of conventional Pipeline ADC, a pseudo-differential switched-capacitor amplifier based on a self-biased ring amplifier is designed. This design incorporates a reference voltage-halving technique in the second stage to reduce the system power consumption and enhance the overall speed. For traditional gate-bootstrapped switches, optimizations for speed and partial compensation of clock feedthrough effects are implemented. In addition, a set-reset (SR) latched data register is proposed to accelerate the logic circuitry of the SAR ADC. The ADC is designed using a 55 nm CMOS process with a core area of 0.182 mm2. The simulation results show that at 27℃ and a 1.2 V supply voltage, the signal-to-noise distortion ratio (SNDR) was 72.93 dB, the power consumption was 9.28 mW, and the Schreier figure of merit (FoMS) was 173.25 dB, at an input signal frequency of 97.85 MHz.

Key words: pipeline ADC, SAR ADC, ring amplifier, data register

CLC Number: